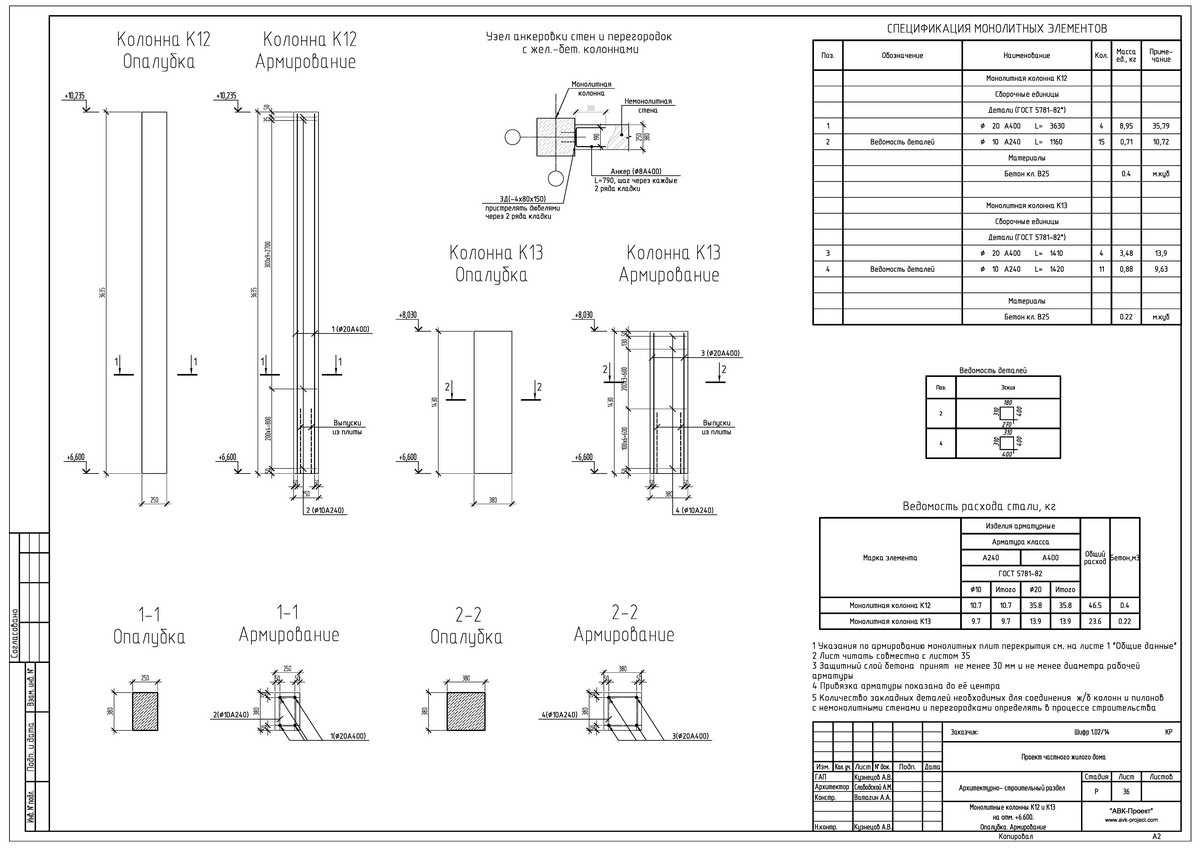
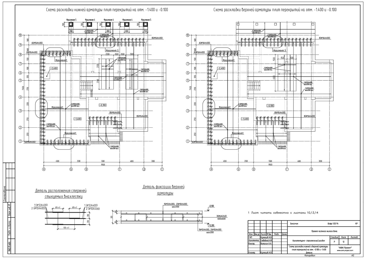
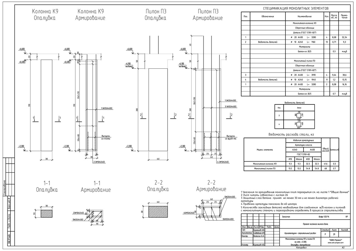
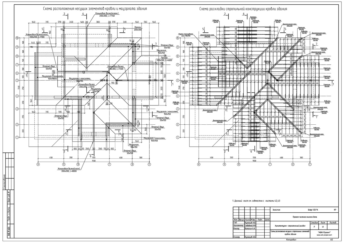
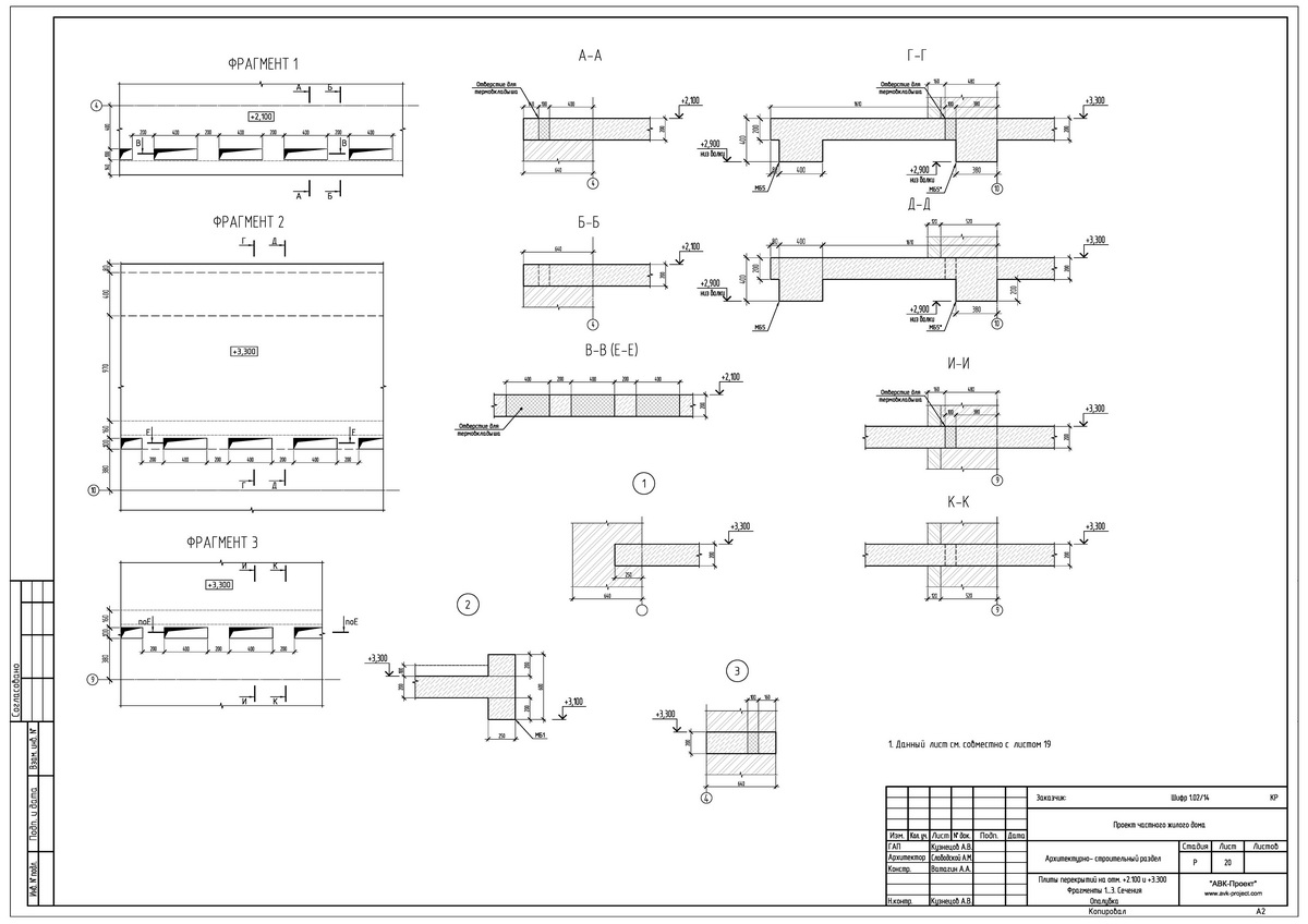
Пример рабочего проекта коттеджа (РД). Конструктивный раздел (КР)
Пример Эскизного проекта частного дома.
Пример Рабочего проекта. Архитектурный раздел.













































Пример Эскизного проекта частного дома.
Пример Рабочего проекта. Архитектурный раздел.
Проектирование коттеджей
и загородных домов
8 (495) 728-79-22
Пример Эскизного проекта частного дома.
Пример Рабочего проекта. Архитектурный раздел.













































Пример Эскизного проекта частного дома.
Пример Рабочего проекта. Архитектурный раздел.